Ideas for a Transistorised Tx / Rx in the style of a Paraset

To the purest the very idea of a transistorised Tx Rx in the style of a Paraset will be abhorrent but for those not wishing to have high voltages and needing special xtals which may not be readily available then this could be an alternative. Designed and this one built by Geoff G3YVF

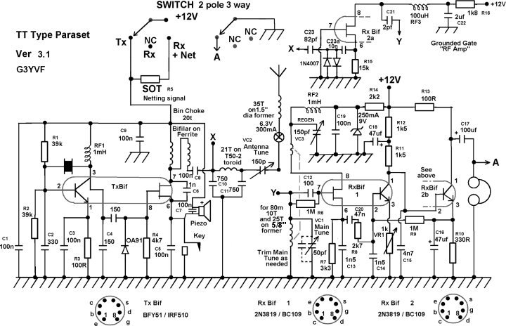
The above schematic was updated on 26th May 2009 Click on image for larger version

In the schematic above you will note TxBif and RxBiF. The RxBif is receiving bipolar fet and TxBif is transmitting bipolar fet.....they have different FETs and Bipolar Transistors and so must NOT be mixed up. !!!

See the pin outs shown below and do double check that you use the right holes in the valve bases  else disaster will strike.

The RxBif valve base with the two small transistors in place. Note the Epoxy resin repair to the base.  Ignore the centre piece it may or may not be part of your valve base.

Above is based on the pencil working drawing which was used to build a MkII Paraset type look alike.

It still uses all the same panel holes and valve bases as the valves are dummies and built inside them are the components that take the place of the valves.

The +12V supply is left on to the Rx section all the time but is switched to the TX and also to the Tx +Net when required. there is no antenna switching. There are no connections to the switch point indicated as NC.

SOT means "select on testing" and then fit the value that suits most. Too low a value gives too strong a netting signal and will overload the Rx...start with about 39k and increase until the rx is not overloaded on NET. Try different Xtals each time as they vary in output and a compromise may need to be accepted. I landed up with 47k in the end. All xtals oscillated and the Rx did not overload.

Paraset is not usable on the ham bands without a separate Xtal oscillator for netting purposes. This IS one area where the TT scores big time over the original. What you won't realise is that leaving it on NET with the REGEN just below oscillation allows one to "listen through" ....beating incoming signals with the Xtal. Now any signal heard is invariably within the passband of the senders Rx.....an instant contact is now available....just go to TRANSMIT and start tapping the key! Good eh! Transceive!!!!!

In the interests of keeping your sanity ensure the bandspreads the Rx to cover one band only....80m of course!!!!!! The original coverage of 3.3 to 7.3 approx leaves little space on the dial for a Ham Band.

Changeover switching of the transistor version, known as the TT.

The TT Paraset leaves the receiver on during transmit. Strictly speaking with this arrangement the zener diode and the associated resistor can be removed. I like it there, the Rx is so good that these two parts do it justice. What is nice, very nice as you will see is that the xtal oscillator can be used to NET. That is a boon from the real thing which cannot net at all! There's more. If you select the largest value resistor (SOT in the diagram) to just allow all xtals to oscillate weakly then switching to NET allows one to "listen through". Don't have the detector oscillating, use the xtal to beat with the incoming Morse, like this you can hear the Morse signals clearly and know you will be heard if you press the key on transmit. A sort of xtal controlled transceive. Good eh?

The RF Amp in the TT is fed from the other side of the output tank from the antenna, a low impedance point suiting the grounded gate RF Amp. The rf available here from the PA device is not enough to damage the RF amp what is more the PA output filter can be used in receive to provide some RX filtering.

I hope this helps clarify why the switching of the two parasets is done in this way.

However

If you just want a fun Tx Rx CW unit then build it on a PCB and put it in a box !!!!

TRANSISTORISED PARASET PARTS LIST

Resistors

R3, R13 100R

R10 330R

R11,R12 1k5

R16 1k8

R14 2k2

R8 2k7

R7 3k3

R4 4k7

R15 15k

R1, R2 39k

R6, R9 1M

R5 SOT

Capacitors

C21 2pf

C23 82pf

C12 100pf

C4 150pf

C2 330pf

C10, C11 750pf

C6 1n

C14 1n5

C13 1n6

C15 4n7

C20 47n

C1,C3, C5, C7, C8, C9, C19 100n

C22 22uf

C16, C18 47uf

C17 100uf

Variable resistors

VR1 1k

Zener

ZN1 9V 250mA

RF chokes

RF3 100uH

RF1, RF2 1mH

Diode

OA91

Variable Capacitors

VC2 150pf Antenna tune

VC3 150pf Regen

VC1 50pf Main tune

Crystal holder

Crystal

3.560MHz QRP Frequency plus other of your choice

Crystal

Lamp

6.3V  300mA

Lamp base

Octal valve bases

B1,B2,B3

3 off Octal valves to re-use bases

Coil former

5/8" main tune coil

1 1/2" Antenna coil


So why was the transistorised Paraset look alike designed ?

Well

  • Firstly so that it would only use a small amount of power at 12V DC to operate
  • Secondly so that there were no dangerous voltages
  • Lastly so that it did not require the use of obsolete and hard to obtain valves.

So how easy was it to put together ....?

As easy as ABC if you modest building skills both mechanical and electronic and patience. Like everything if you want it badly enough! Geoff, of course, elected to have the metal work laser cut but equally it could be made using hand tools. I used mild steel 1mm thick which is perfect for the job.

What is its tuning range ....?

The TT Paraset has been made to tune the amateur 80m band, it could of course tune the typical 3.2MHz to 7.5MHz range of a real Paraset. However by limiting the frequency range it makes it very easy to tune in CW signals with the slow motion drive.

Lastly what results have been achieved ...?

The Transistorised Paraset look alike has to perform just like a real Paraset. The set does with the exception of one light bulb. On a real Paraset there are two light bulbs that help one to tune it for max output however, on the TT Paraset there is only one...the other bulb in the picture is in the right place to look real enough but in fact it is a spare bulb. The TT Paraset does not need time to warm up (as would any equipment with valves) but it fun to note the "P.A. Valve" gets warm with use just like a real valve would.....why?....because the body of the "valve" is used as a heat sink for the mosfet P.A. device!

It is a delight to use with contacts having been made all over Europe and Gt. Britain.

Inside the Transistorised Paraset look alike

Rx and Tx Coils


This page may be developed further in due course.